
| Outside Dia | Socket Type | Structural Diameter | ||||||
| Size | D1 | d1 | d2 | I | B | d | L | L1 |
| 1/2″*1/4″ | 21.34 | 14.02 | 13.61 | 19 | 30 | 10 | 29 | 23 |
| 1/2″*3/8″ | 21.34 | 17.04 | 17.45 | 22 | 30 | 12 | 29 | 23 |
| 3/4″*1/2″ | 26.67 | 21.54 | 21.23 | 24 | 30 | 13 | 33 | 27 |
| 1″-3/8″ | 33.4 | 17.45 | 17.04 | 22 | 36 | 12 | 38 | 30 |
| 1″*1/2″ | 33.4 | 21.54 | 21.23 | 24 | 36 | 16 | 38 | 30 |
| 1″*3/4″ | 33.4 | 26.87 | 26.57 | 28 | 36 | 18 | 38 | 30 |
| 1-1/4″*1/2″ | 42.16 | 21.54 | 21.23 | 24.22 | 46 | 16 | 44 | 35 |
| 1-1/4″*3/4″ | 42.16 | 26.87 | 26.57 | 27.4 | 46 | 22 | 44 | 35 |
| 1-1/4″*1″ | 42.16 | 33.66 | 33.27 | 30.58 | 46 | 28 | 44 | 35 |
| 1-1/2″*1/2″ | 48.26 | 21.54 | 21.23 | 24.22 | 55 | 16 | 47 | 38 |
| 1-1/2″*3/4″ | 48.26 | 26.87 | 26.57 | 27.4 | 55 | 22 | 47 | 38 |
| 1-1/2″*1″ | 48.26 | 33.66 | 33.27 | 30.58 | 55 | 28 | 47 | 38 |
| 1-1/2″*1-1/4″ | 48.26 | 42.42 | 42.04 | 34.75 | 55 | 35 | 47 | 38 |
| 2″*1/2″ | 60.33 | 21.54 | 21.23 | 24.22 | 70 | 16 | 52 | 42 |
| 2″*3/4″ | 60.33 | 26.87 | 26.57 | 27.4 | 70 | 22 | 52 | 42 |
| 2″*1″ | 60.33 | 33.66 | 33.27 | 30.58 | 70 | 28 | 52 | 42 |
| 2″*1-1/4″ | 60.33 | 42.42 | 42.04 | 34.75 | 70 | 35 | 52 | 42 |
| 2″*1-1/2″ | 60.33 | 48.56 | 48.11 | 37.93 | 70 | 43 | 52 | 42 |
| 2-1/2″*1-1/2″ | 73.03 | 48.56 | 48.11 | 37.93 | 80 | 43 | 60 | 48.45 |
| 2-1/2″*2″ | 73.03 | 60.63 | 60.17 | 41.1 | 80 | 54 | 60 | 48.45 |
| 3″*1-1/2″ | 88.9 | 48.56 | 48.11 | 37.93 | 80 | 54 | 60 | 48.45 |
| 3″*2″ | 88.9 | 60.63 | 60.17 | 41.1 | 99 | 54 | 65 | 51 |
| 3″*2-1/2″ | 88.9 | 73.38 | 72.85 | 47.45 | 99 | 65 | 65 | 51 |
| 4″*2″ | 114.3 | 60.63 | 60.17 | 41.1 | 125 | 54 | 75 | 60.5 |
| 4″*2-1/2″ | 114.3 | 73.38 | 72.85 | 47.45 | 125 | 65 | 75 | 60.5 |
| 4″*3″ | 114.3 | 89.31 | 88.7 | 50.63 | 125 | 80 | 75 | 60.5 |
| 5″*4″ | 114.30 | 114.76 | 114.07 | 60.15 | 150 | 100 | 84 | 69.5 |
| 6″*3″ | 168.28 | 89.31 | 88.7 | 50.6 | 180 | 80 | 90 | 76.5 |
| 6″*4″ | 168.28 | 114.76 | 114.07 | 60.15 | 180 | 100 | 90 | 76.5 |
| 6″*5″ | 168.28 | 141.81 | 141.04 | 69.66 | 180 | 125 | 90 | 76.5 |
| 8″*4″ | 219.1 | 114.76 | 114.07 | 60.5 | 280 | 80 | 148 | 130 |
| 8″*6″ | 219.1 | 168.83 | 168 | 79 | 235 | 150 | 120 | 104.6 |
| 10″*3″ | 273.05 | 89.31 | 88.7 | 50.6 | 280 | 80 | 148 | 130 |
| 10″*4″ | 273.05 | 114.76 | 114.07 | 105 | 280 | 105 | 148 | 130 |
| 10″*6″ | 273.05 | 168.83 | 168 | 79 | 290 | 150 | 148 | 130 |
| 10″*8″ | 273.05 | 219.84 | 218.69 | 105 | 290 | 200 | 148 | 130 |
| 12″*4″ | 323.85 | 114.76 | 114.07 | 60.2 | 330 | 100 | 175 | 155 |
| 12″*6″ | 323.85 | 168.83 | 168 | 79.2 | 330 | 150 | 175 | 155 |
| 12″*8″ | 323.85 | 223.81 | 222.89 | 105 | 330 | 200 | 175 | 155 |
| 12″*10″ | 323.85 | 273.81 | 272.67 | 130 | 330 | 245 | 175 | 155 |
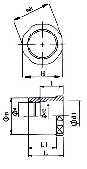
| Size Nom | ∮d1 | ∮d2 | ∮d | ∮D | ∮D1 | I | L | L1 | H |
| 25X20 | 25.3 | 24.9 | 16 | 25 | 28 | 16 | 24 | 19 | 27 |
| 32X20 | 32.3 | 31.9 | 16 | 32 | 36.5 | 16 | 28 | 22 | 35 |
| 32X25 | 32.3 | 31.9 | 20 | 32 | 36.5 | 19 | 28 | 22 | 35 |
| 40X20 | 40.3 | 39.9 | 16 | 40 | 45 | 16 | 34 | 26 | 43 |
| 40X25 | 40.3 | 39.9 | 20 | 40 | 45 | 19 | 34 | 26 | 43 |
| 40X32 | 40.3 | 39.9 | 27 | 40 | 45 | 22 | 34 | 26 | 43 |
| 50X20 | 50.3 | 49.9 | 16 | 50 | 55 | 16 | 40 | 31 | 53 |
| 50X25 | 50.3 | 49.9 | 20 | 50 | 55 | 19 | 40 | 31 | 53 |
| 50X32 | 50.3 | 49.9 | 27 | 50 | 55 | 22 | 40 | 31 | 53 |
| 50X40 | 50.3 | 49.9 | 34 | 50 | 55 | 26 | 40 | 31 | 53 |
| 63X20 | 63.3 | 62.9 | 16 | 63 | 70 | 16 | 48 | 38 | 67 |
| 63X25 | 63.3 | 62.9 | 20 | 63 | 70 | 19 | 48 | 38 | 67 |
| 63X32 | 63.3 | 62.9 | 27 | 63 | 70 | 22 | 48 | 38 | 67 |
| 63X40 | 63.3 | 62.9 | 34 | 63 | 70 | 26 | 48 | 38 | 67 |
| 63X50 | 63.3 | 62.9 | 44 | 63 | 70 | 31 | 48 | 38 | 67 |
| 75X32 | 75.35 | 74.9 | 27 | 75 | 84 | 22 | 55 | 44 | 80 |
| 75X40 | 75.35 | 74.9 | 34 | 75 | 84 | 26 | 55 | 44 | 80 |
| 75X50 | 75.35 | 74.9 | 44 | 75 | 84 | 31 | 55 | 44 | 80 |
| 75X63 | 75.35 | 74.9 | 57 | 75 | 84 | 38 | 55 | 44 | 80 |
| 90X32 | 90.5 | 89.9 | 27 | 90 | 99 | 22 | 62 | 51 | 95 |
| 90X40 | 90.5 | 89.9 | 34 | 90 | 99 | 26 | 62 | 51 | 95 |
| 90X50 | 90.5 | 89.9 | 44 | 90 | 99 | 31 | 62 | 51 | 95 |
| 90X63 | 90.5 | 89.9 | 57 | 90 | 99 | 38 | 62 | 51 | 95 |
| 90X75 | 90.5 | 89.9 | 71 | 90 | 99 | 44 | 62 | 51 | 95 |
| 110X50 | 110.6 | 109.9 | 44 | 110 | 120 | 31 | 73 | 61 | 115 |
| 110X63 | 110.6 | 109.9 | 57 | 110 | 120 | 38 | 73 | 61 | 115 |
| 110X75 | 110.6 | 109.9 | 71 | 110 | 120 | 44 | 73 | 61 | 115 |
| 110X90 | 110.6 | 109.9 | 86 | 110 | 120 | 51 | 73 | 61 | 115 |
| 140X110 | 140.85 | 140.05 | 106 | 140 | 150 | 61 | 90 | 76 | 145 |
| 160X63 | 160.85 | 160.05 | 57 | 160 | 175 | 38 | 101 | 86 | 165 |
| 160X75 | 160.85 | 160.05 | 71 | 160 | 175 | 44 | 101 | 86 | 165 |
| 160X90 | 160.85 | 160.05 | 86 | 160 | 175 | 51 | 101 | 86 | 165 |
| 160X110 | 160.85 | 160.05 | 106 | 160 | 175 | 61 | 101 | 86 | 165 |
| 160X140 | 160.85 | 160.05 | 136 | 160 | 175 | 76 | 101 | 86 | 165 |
| 225X90 | 226.25 | 225.05 | 86 | 225 | 250 | 51 | 110 | 95 | 240 |
| 225X110 | 226.25 | 225.05 | 106 | 225 | 250 | 61 | 110 | 95 | 240 |
| 225X140 | 226.25 | 225.05 | 136 | 225 | 250 | 76 | 110 | 95 | 240 |
| 225X160 | 226.25 | 225.05 | 158.4 | 225 | 250 | 86 | 110 | 95 | 240 |
| 250X110 | 251.45 | 250.05 | 106 | 250 | 275 | 51 | 149 | 131 | 266 |
| 250X140 | 251.45 | 250.05 | 136 | 250 | 275 | 76 | 149 | 131 | 266 |
| 250X160 | 251.45 | 250.05 | 158.4 | 250 | 275 | 86 | 149 | 131 | 266 |
| 250X225 | 251.45 | 250.05 | 203.9 | 250 | 275 | 119 | 149 | 131 | 266 |
| 315X110 | 316.85 | 315.05 | 106 | 315 | 340 | 51 | 184 | 164 | 325 |
| 315X140 | 316.85 | 315.05 | 136 | 315 | 340 | 76 | 184 | 164 | 325 |
| 315X160 | 316.85 | 315.05 | 158.4 | 315 | 340 | 186 | 184 | 164 | 325 |
| 315X225 | 316.85 | 315.05 | 203.9 | 315 | 340 | 119 | 184 | 164 | 325 |
| 315X250 | 316.85 | 315.05 | 239 | 315 | 340 | 131 | 184 | 164 | 325 |
上一篇: 異徑直接頭(S*S)
下一篇: 異徑三通(S*S*S)

蘇公網(wǎng)安備 32050502000597號(hào)